
Вентилятор на постійному струмі ECO250S/200 XL використовується для вентиляції приватних будинків, поквартирної або поверхової вентиляції багатоквартирних будинків та установ.
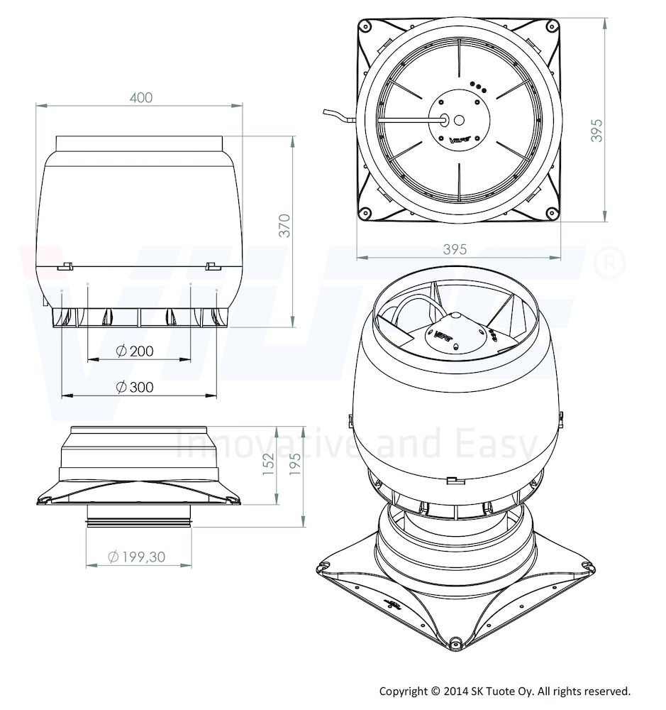
За допомогою вентилятора ECO250S/200 XL можна замінити стару систему природного повітрообміну на примусову. Вентилятор ECO250S/200 XL встановлюється на вентиляційну шахту або виведений на покрівлю та закритий кожухом шумопоглинач. Отвір шахти має бути не меншим за основу E250S. Основа E250S входить до комплекту вентилятора.
Швидкість обертання плавно регулюється регулятором 0-10 V або широтно імпульсним модулятором (на постійному струмі), який купується окремо.
У разі встановлення S-вентилятора на рівну поверхню герметичність досягається за допомогою ущільнювача на внутрішній стороні фланця основи. Основа S-вентилятора має вологозахисні, завдяки своїй формі, отвори кріплення з шурупами і з'єднувальний патрубок з оцинкованої сталі з гумовим ущільнювачем. Ущільнювач гарантує герметичність з'єднання патрубка та повітроводу. На круглу трубу вентиляційного каналу S-вентилятор встановлюється без основи.
Клас захисту вентилятора Vilpe ECO250S/200 XL — IP34. Вентилятори Vilpe відносяться до класу відцентрових. Вони тихі, ефективні та гарантують комфортність проживання.
Вентилятори Vilpe оснащені термоелементом з автоматичним реверсом, що вимикає вентилятор в екстрених випадках при перегріванні обмоток двигуна.
Набір. Вентилятор ECO250S/200 XL, монтажна інструкція, основа E250S, інструкція з монтажу основи, два набори кріплення (саморізи 15×25 (мм) у колір + насадка) та (саморізи 13×25 (мм) у колір + насадка).








