
Використовується для проведення та виходу потоків повітря з підпокрівельного простору, що включає провітрювання горищного простору, каналізаційних стояків, і виходу труби центрального вентилятора.
Регульований вентвихід може бути встановлений на всіх видах профільованого металу та низьких трапецієподібних покриттях. Естетичний вигляд та легкість установки дозволяє встановлювати вентиляційні виходи даного виду на високих скатних покрівлях.
Фланцевий ущільнювач можна вирівняти будь-який тип гофрованого покриття.
Технічні дані:
- Покрівельне покриття: будь-яка низькопрофільна металева покрівля;
- Тип вентвиходу: ізольований (утеплений);
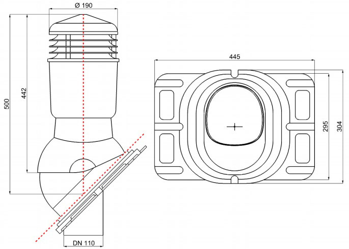
- Кут установки: 5 — 45 град.;
- Розміри: D 110/Н 550 (мм);
- Упаковка: 1 (шт./уп.);
- Матеріал та розміри упаковки: картон 46×20×52 (см);
- Вага нетто: 2,40 (кг);
- Вага брутто: 3,15 (кг);
- Вбудований рівень WASSERWAAGE;
- Матеріал: PP — поліпропілен, пофарбований у масі, із захистом від УФ випромінювання.












