
Електричний вентилятор з регуляцією нахилу для профільованих металевих покрівель призначених для житла (санітарні приміщення, гаражі, склади) та громадського призначення (магазини, бари, ресторани тощо).
Великою перевагою є низький рівень шуму та високий ККД німецького електродвигуна EBM. Вентилятор даного типу менш чутний, ніж, наприклад, вентилятор у ванній кімнаті.
Вентиляційний вихід PERFEKTA усуває дратівливий шум. Швидкість вентилятора та ефективність можна регулювати за допомогою регулятора напруги.
Технічні дані:
- Покрівельне покриття: металочерепиця;
- Тип вентилятору: з електровентилятором;
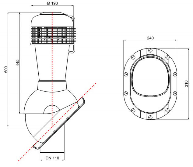
- Кут установки: 5 — 45 град.;
- Розміри: D 110/H 500 (мм);
- Упаковка: 1 (шт./уп.);
- Матеріал та розміри упаковки: картон 50 x 26 x 38 (см);
- Вага нетто: 2,50 (кг);
- Вага брутто: 3,15 (кг);
- Матеріал: PP — поліпропілен, пофарбований у масі, із захистом від УФ випромінювання;
- Тип профілю прохідного елемента: N, W, L, X, P, E, C, M, S, T, H, Z.











