Підставка настінна нержавіюча
Застосовується як опора вертикальної частини димаря для перерозподілу маси димоходу на несучі конструкції.
Для виробництва настінної підставки використається високоякісна нержавіюча сталь. При виготовленні комплектуючих деталей застосовується плазмове зварювання серед інертного газу (аргон).
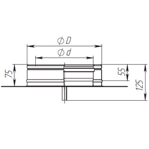
Параметри підставки настінної |  |
Значення параметрів d, D, A
| d (мм) | D (мм) | А (мм) | Маса (кг) |
| 100 | 160 | 340 | 2,58 |
| 110 | 180 | 360 | 2,83 |
| 115 | 180 | 360 | 2,83 |
| 120 | 180 | 360 | 2,86 |
| 125 | 200 | 380 | 3,12 |
| 130 | 200 | 380 | 3,12 |
| 135 | 200 | 380 | 3,11 |
| 140 | 200 | 380 | 3,13 |
| 150 | 220 | 400 | 3,14 |
| 160 | 220 | 400 | 3,44 |
| 180 | 250 | 430 | 3,85 |
| 200 | 260 | 440 | 3,99 |
| 220 | 280 | 460 | 4,28 |
| 230 | 300 | 480 | 4,62 |
| 250 | 320 | 500 | 4,96 |
| 300 | 360 | 540 | 5,56 |
| 350 | 420 | 600 | 6,52 |
| 400 | 460 | 640 | 7,12 |
| 450 | 520 | 700 | 8,15 |
| 500 | 560 | 740 | 8,78 |
| 550 | 620 | 800 | 9,98 |
| 600 | 660 | 840 | 11,50 |
| 650 | 720 | 900 | 20,06 |
| 700 | 760 | 940 | 21,48 |
| 750 | 820 | 1000 | 23,82 |
| 800 | 860 | 1040 | 25,46 |
| 900 | 960 | 1140 | 29,07 |
| 1000 | 1060 | 1240 | 29,35 |
SALE