Розвантажувальна платформа нержавіюча
Застосовується як опора секцій вертикальної частини димової труби для перерозподілу маси димоходу на несучі конструкції.
Для розвантажувальної платформи використовується високоякісна нержавіюча сталь. При виготовленні комплектуючих деталей застосовується плазмове зварювання серед інертного газу (аргон).
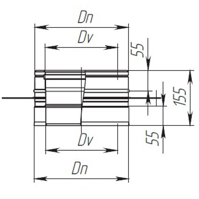
Параметри розвантажувальної платформи |  |
Значення параметрів Dv, Dn, A, B, C
| Dv (мм) | Dn (мм) | A (мм) | B (мм) | С (мм) | Маса (кг) |
| 100 | 160 | 340 | 315 | 10 | 2,39 |
| 110 | 180 | 360 | 335 | 10 | 2,67 |
| 115 | 180 | 360 | 335 | 10 | 2,67 |
| 120 | 180 | 360 | 335 | 10 | 2,66 |
| 125 | 200 | 380 | 355 | 10 | 2,95 |
| 130 | 200 | 380 | 355 | 10 | 2,95 |
| 135 | 200 | 380 | 355 | 10 | 2,94 |
| 140 | 200 | 380 | 355 | 10 | 2,94 |
| 150 | 220 | 400 | 375 | 10 | 3,23 |
| 160 | 220 | 400 | 375 | 10 | 3,22 |
| 180 | 250 | 430 | 405 | 10 | 3,66 |
| 200 | 260 | 440 | 415 | 10 | 3,78 |
| 220 | 280 | 460 | 435 | 10 | 4,06 |
| 230 | 300 | 480 | 455 | 10 | 4,38 |
| 250 | 320 | 500 | 475 | 10 | 4,68 |
| 300 | 360 | 540 | 515 | 10 | 5,23 |
| 350 | 420 | 600 | 550 | 12,5 | 6,2 |
| 400 | 460 | 640 | 590 | 12,5 | 6,75 |
| 450 | 520 | 700 | 650 | 12,5 | 7,79 |
| 500 | 560 | 740 | 690 | 12,5 | 8,34 |
| 550 | 620 | 800 | 750 | 12,5 | 9,44 |
| 600 | 660 | 840 | 790 | 12,5 | 10 |
| 650 | 720 | 900 | 850 | 12,5 | 16,16 |
| 700 | 760 | 940 | 890 | 12,5 | 16,97 |
| 750 | 820 | 1000 | 950 | 12,5 | 18,77 |
| 800 | 860 | 1040 | 990 | 12,5 | 19,57 |
| 900 | 960 | 1140 | 1090 | 12,5 | 22,29 |
| 1000 | 1060 | 1240 | 1190 | 12,5 | 25,1 |
SALE