Дефлектор із оцинкованої сталі
Призначений для захисту димоходів та вентиляції від опадів, а також посилення тяги.
Для виробництва дефлектора використається високоякісна оцинкована сталь. При виготовленні комплектуючих деталей застосовується плазмове зварювання у середовищі інертного газу (аргон).
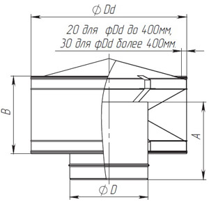
Параметри дефлектора |
Значення параметрів D, Dd, А, В| D (мм) | Dd (мм) | А (мм) | В (мм) | Маса (кг) |
| 100 | 200 | 250 | 200 | 1,21 |
| 110 | 220 | 250 | 200 | 1,35 |
| 115 | 230 | 250 | 200 | 1,42 |
| 120 | 240 | 250 | 200 | 1,49 |
| 125 | 250 | 250 | 200 | 1,57 |
| 130 | 260 | 250 | 200 | 1,64 |
| 135 | 270 | 250 | 200 | 1,71 |
| 140 | 280 | 250 | 200 | 1,79 |
| 150 | 300 | 250 | 200 | 1,94 |
| 160 | 320 | 250 | 200 | 2,10 |
| 180 | 360 | 250 | 200 | 2,42 |
| 200 | 400 | 250 | 200 | 2,75 |
| 220 | 440 | 250 | 200 | 3,10 |
| 230 | 460 | 250 | 200 | 3,28 |
| 250 | 500 | 250 | 250 | 4,06 |
| 300 | 600 | 300 | 300 | 5,87 |
| 350 | 700 | 400 | 400 | 8,88 |
| 400 | 800 | 500 | 500 | 12,47 |
| 450 | 900 | 500 | 500 | 15,57 |
| 500 | 1000 | 500 | 500 | 17,72 |
| 550 | 1000 | 500 | 500 | 18,27 |
| 600 | 1000 | 500 | 500 | 18,82 |
| 650 | 1000 | 500 | 500 | 19,37 |
| 700 | 1200 | 500 | 500 | 23,36 |
| 750 | 1200 | 500 | 500 | 23,91 |
| 800 | 1200 | 500 | 500 | 24,46 |
| 900 | 1400 | 500 | 500 | 29,33 |
| 1000 | 1400 | 500 | 500 | 30,44 |
SALE