Трійник 87° із теплоізоляцією з оцинкованої сталі
Застосовується для з'єднання вертикальної та горизонтальної ліній димоходів.
Для виробництва трійника використається високоякісна оцинкована сталь. При виготовленні комплектуючих деталей застосовується плазмове зварювання у середовищі інертного газу (аргон).
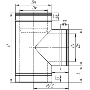
Параметри трійника 87° |
Значення параметрів Dv, Dn, L, H| Dv (мм) | Dn (мм) | L (мм) | Н (мм) | Маса (кг) |
| 100 | 160 | 86,5 | 333 | 2,35 |
| 110 | 180 | 110 | 400 | 3,27 |
| 115 | 180 | 110 | 400 | 3,18 |
| 120 | 180 | 110 | 400 | 3,11 |
| 125 | 200 | 100 | 400 | 3,65 |
| 130 | 200 | 100 | 400 | 3,63 |
| 135 | 200 | 100 | 400 | 3,53 |
| 140 | 200 | 100 | 400 | 3,46 |
| 150 | 220 | 90 | 400 | 4,00 |
| 160 | 220 | 90 | 400 | 4,12 |
| 180 | 250 | 125 | 500 | 6,00 |
| 200 | 260 | 120 | 500 | 5,83 |
| 220 | 280 | 110 | 500 | 6,13 |
| 230 | 300 | 100 | 500 | 6,99 |
| 250 | 320 | 90 | 500 | 7,82 |
| 300 | 360 | 120 | 600 | 9,69 |
| 350 | 420 | 90 | 600 | 12,27 |
| 400 | 460 | 120 | 700 | 14,08 |
| 450 | 520 | 90 | 700 | 17,40 |
| 500 | 560 | 120 | 800 | 19,85 |
| 550 | 620 | 120 | 860 | 24,97 |
| 600 | 660 | 120 | 900 | 28,24 |
| 650 | 720 | 140 | 1000 | 35,72 |
| 700 | 760 | 120 | 1000 | 35,75 |
| 750 | 820 | 140 | 1100 | 44,32 |
| 800 | 860 | 120 | 1100 | 46,16 |
| 900 | 960 | 170 | 1300 | 57,38 |
| 1000 | 1060 | 120 | 1300 | 59,81 |
SALE